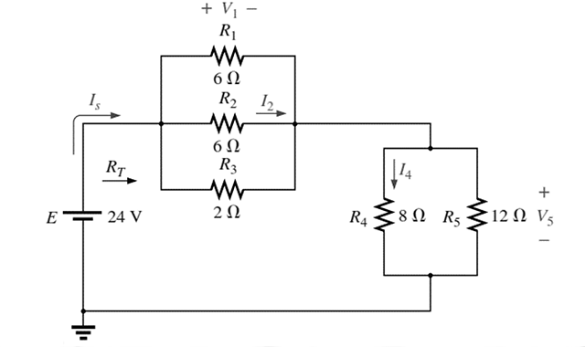
Para el siguiente circuito:
a) Determina la resistencia equivalente y la corriente de la fuente.
b) Determina la tensión
en la resistencia de
.
c) Determina la corriente
e
.
d) Determina la caída de voltaje
.
Ejercicios, problemas y cuestiones sobre ley de Ohm, asociación de resistencias, resistividad y circuitos de corriente continua.
Para el siguiente circuito:
a) Determina la resistencia equivalente y la corriente de la fuente.
b) Determina la tensión
en la resistencia de
.
c) Determina la corriente
e
.
d) Determina la caída de voltaje
.
La empresa Energía Plus está evaluando en el mercado qué conductor eléctrico puede transportar mayor carga eléctrica. Se presentan tres conductores de distintos materiales, como se muestra en la figura:
Sabiendo que 1 mils = 1.27 mm y que 1 pie = 304.8 mm y que las resistividades son
,
y
:
a) Determina la resistencia eléctrica para el conductor de plata.
b) Determina la resistencia eléctrica para el conductor de cobre.
c) Determina la resistencia eléctrica para el conductor de aluminio.
d) Determina la resistencia eléctrica de cada material si operan con una variación de temperatura de
.
Dato: ![]()
Un generador de fem 12 V se conecta a un circuito. Si cuando circula una intensidad de 10 A la tensión entre los bornes del generador es de 11.2 V, ¿cuál es la resistencia interna del generador?
Determina la resistencia equivalente del circuito de la figura y calcula la intensidad de corriente que corresponde a los nodos en los que la batería se conecta a la asociación de resistencias.
1. Monta el circuito de la figura:
2. Conecta el voltímetro y el amperímetro para medir el voltaje y el amperaje en la resistencia
.
3. Varía la resistencia
, manteniendo constante la resistencia
, como se muestra en la tabla, y complétala.

4. Realiza la gráfica V-I utilizando los datos de la tabla.
5. ¿Qué observas en la gráfica?
6. ¿Cuál es el significado físico de la pendiente de la gráfica?