Capacidad equivalente de una asociación mixta de condensadores (1693)

, por F_y_Q

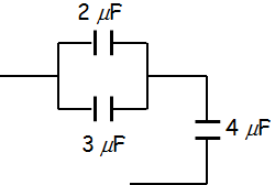
Calcula la capacidad equivalente de la asociación de condensadores de la figura:

P.-S.

\fbox{\color[RGB]{192,0,0}{\bm{C_{eq} = 2.22\ \mu F}}}


RESOLUCIÓN DEL EJERCICIO EN VÍDEO.